Facharbeit "Bau eines Relaiscomputers"
von Kilian Leonhardt
Email: mail@kilian-leonhardt.de

Zurück zum Inhaltsverzeichnis

Der Zähler

Bei den Rechenvorgängen Multiplikation und Division ist ein Binärzähler notwendig, welcher auf ein Taktsignal (in meinem Fall auf die steigende Flanke des Taktsignals) um 1 vorwärtszählt. Die Ansprüche an das Modul sind nicht besonders groß: Es soll letztlich nur zwei Befehlsleitungen haben, eine zum Zählen, und eine, um den Zähler wieder auf Null zu setzen. Auch in dem Zählermodul befinden sich (wie so oft in meinem Rechner) gleich aufgebaute Zellen, von denen ich deshalb nur eine erklären muß.
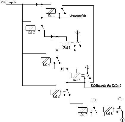
Die folgende Schaltung zeigt die Zelle für Bit 1:

Dies ist wohl eine der kompliziertesten Schaltungen, die es im Rechner gibt. Deswegen werde ich versuchen schrittweise vorzugehen. Schaltet man bei dieser Schaltung die Spannungsversorgung ein, passiert zunächst einmal nichts, alle Relais sind aus. Deswegen sorgt Relais 8 dafür, daß an Markierung 1 Spannung anliegt. Relais 5 sorgt dafür, daß diese Spannung an Kontakt 1 von Relais 1 anliegt. Schließt man den Zählimpulseingang an die Spannungsversorgung an, so zieht Relais 1 und Relais 2 zeitgleich an. (Relais 4 und 6 auch, diese sind im moment aber noch nicht wichtig) Relais 1 versorgt sich selbst mit Spannung, Relais 2 nicht. Nimmt man vom Zählimpulseingang die angelegte Spannung wieder ab, so fällt Relais 2 zurück, und gibt die Spannung von Relais 1 (denn Relais 1 bleibt angezogen) an Relais 3 weiter. Relais 3 versorgt sich wiederum selbst. Die Spannung, die an Relais 3 anliegt, wird nicht weitergeschaltet, denn Relais 4 ist nicht an. Legt man wieder an den Zählimpulseingang die Betriebsspannung an, so ändert sich dies. Relais 5 wird angezogen, versorgt sich selbst mit Spannung und unterbricht zugleich die Spannungsversorgung für Relais 1, dieses fällt ab. Nimmt man die Versorgungsspannung wieder vom Zähleingang weg, so wird die Spannung von Relais 5 via Relais 6 zu Relais 7 weitergeleitet, Relais 7 schaltet Relais 8, Relais 8 trennt die Spannungsversorgung, alle Relais fallen ab und sind wieder aus.

Die betrachtet man die beiden Ausgänge, so wird man folgenden sich wiederholenden Ablauf feststellen:

Zählimpulseingang Ausgangsbit Zählimpuls für nächste Zelle
0 0 0
1 1 0
0 1 0
1 0 1
0 0 0

Wir spielen anhand dieser Tabelle das Zählen am besten einmal durch:

Steigende Flanke des ersten Zählimpulses: die erste Zelle schaltet sich auf 1. (001)

Steigende Flanke des zweiten Zählimpulses: die erste Zelle schaltet sich selbst auf 0, gibt allerdings für die Dauer des Zählimpulses 1 auf die zweite Zelle, diese schaltet sich also auf 1. (010)

Steigende Flanke des dritten Zählimpulses: die erste Zelle schaltet sich auf 1. (011)

Steigende Flanke des vierten Zählimpulses: die erste Zelle schaltet sich selbst auf 0, gibt für die Dauer des Zählimpulses 1 auf die zweite Zelle, diese schaltet sich wieder auf 0 und schaltet für die Dauer des Zählimpulses 1 auf die dritte Zelle. (100)

.. und so weiter.

Der Zählerinhalt kann mit einem Datenschalter auf den Datenbus geschaltet werden. Legt man eine Zahl auf den Datenbus und schaltet den (zuvor gelöschten) Zähler ebenfalls auf den Datenbus, so übernimmt der Zähler diese Zahl!


Zurück zum Inhaltsverzeichnis